1995 Jeep Wrangler Tail Light Wiring Diagram
Honda Xr200 Wiring Diagram, Skygo150 Voltage Regulator for XR200/Actual Wiring/Honda XR200 Modified/Supermoto/DIY Garage PH, 10.03 MB, 07:18, 10,383, D I Y Garage PH, 2021-01-23T08:48:03.000000Z, 19, Iam looking for a 1982 honda xr200 wiring diagram, www.justanswer.com, 904 x 703, jpeg, wiring diagram 1982 honda xr200 xt200 yamaha manual iam motorcycle looking 1981 mechanic bikee wire, 20, honda-xr200-wiring-diagram, Anime Arts
1997 jeep grand cherokee instrument cluster wiring diagram new 1995 www. pinterest. com. Jeep wiring diagram cherokee instrument cluster wrangler 1997 grand tj 1966 1995 diag gto pontiac schematic artÃculo produce power source Wiring tail light diagram cj7 wire. 1992 ford explorer wiring diagram www. chanish. org.
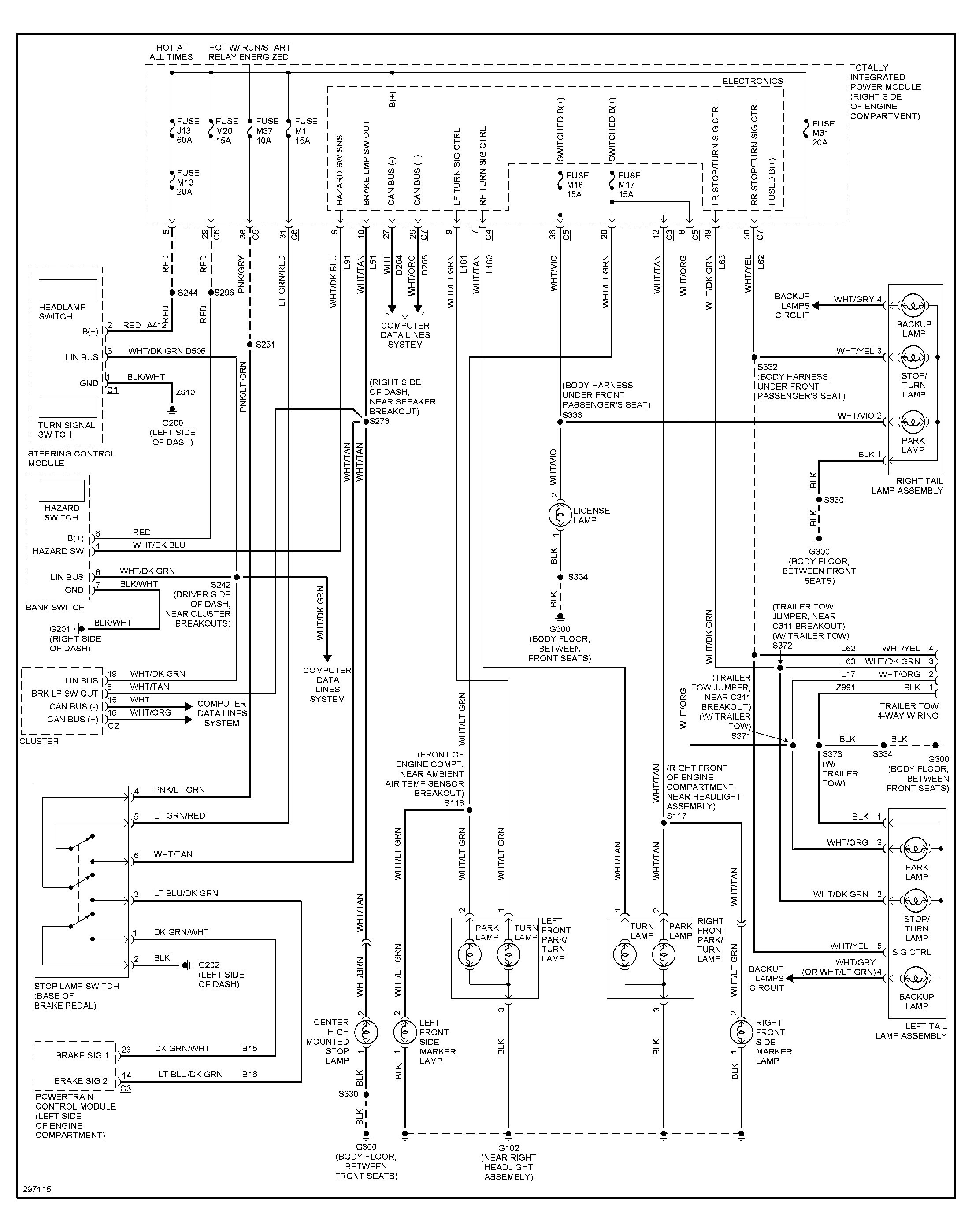
I have a 1995 jeep yj no tail lights or gauge cluster lights how can i fix. · wiring wrangler jeep jl diagrams jlwranglerforums. Diagram wiring jeep sr20det engine wrangler ecu 240sx nissan harness sensor location 1995 o2 2000 2006 altima connector camaro ss. According to the wiring diagram, 18a white 16 ga, tail lights and side marker lights. Will also power up the plate light. 23 lite green w/trace 16 ga. , left turn/stop/hazard. 24 lite green (no trace) 16 ga. , right turn/stop/hazard. 34 white w/trace 18 ga. , backup lights. I would also add a black 12 ga.
1995 Jeep Wrangler Tail Light Wiring Diagram - Wiring Diagram
1995 Jeep Cherokee Wiring Harnes
Jeep Wrangler Tj Tail Light Wiring Diagram - Wiring Diagram
1990 Jeep Wrangler Tail Light Wiring Diagram - Wiring Diagram
Jeep Wrangler Tj Tail Light Wiring Diagram - Wiring Diagram
1995 Jeep Wrangler Tail Light Wiring Diagram - Wiring Diagram

95 Wrangler Yj Wiring Diagram - Wiring Diagram
Jeep Wrangler Tj Tail Light Wiring Diagram - Wiring Diagram

[DIAGRAM in Pictures Database] 95 Jeep Cherokee Headlight Wiring Diagram Just Download or Read
![1995 Jeep Wrangler Tail Light Wiring Diagram [DIAGRAM in Pictures Database] 95 Jeep Cherokee Headlight Wiring Diagram Just Download or Read](https://ww2.justanswer.com/uploads/amedee/2010-08-25_234355_1.gif)